- 商品描述
- 商品询价热度
Atlas阿特拉斯LSK38手持刳刨机

阿特拉斯LSK38手持刳刨机优势特点
消声排气阀
高功率刳刨机
防尘滚珠轴承
隔热节流把手
使切割快速有效
出色的人机工程学
保持转速的集成调速器
型号 | ID | 空转转速 | 重量 | 输出时的空气消耗量 | 经过 EAC 认证 | EC 标准 | 推荐的软管尺寸 | 声功率 | 声压 | 声音标准 | 声音不确定度 | 震动标准 | 震动值 | WEEE | EU 指令 |
|---|---|---|---|---|---|---|---|---|---|---|---|---|---|---|---|
| LSK38 S250 DO | 8423070000 | 25000 r/min | 2.2 lb | 28 l/s | Yes | EN 792-9 | 13 mm | 100 dB(A) | 89 dB(A) | ISO15744 | 3 dB(A) | ISO20643 | <2.5 m/s² | 0 | 2006/42/EC |
| LSK38 S180 DO | 8423070001 | 18000 r/min | 2.2 lb | 28 l/s | Yes | EN 792-9 | 13 mm | 95 dB(A) | 84 dB(A) | ISO15744 | 3 dB(A) | ISO20643 | <2.5 m/s² | 0 | 2006/42/EC |

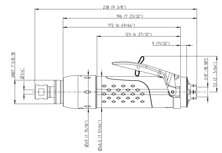
Atlas LSK38手持刳刨机结构图


线上咨询
